PM步进电机 35BY412S-264
产品介绍
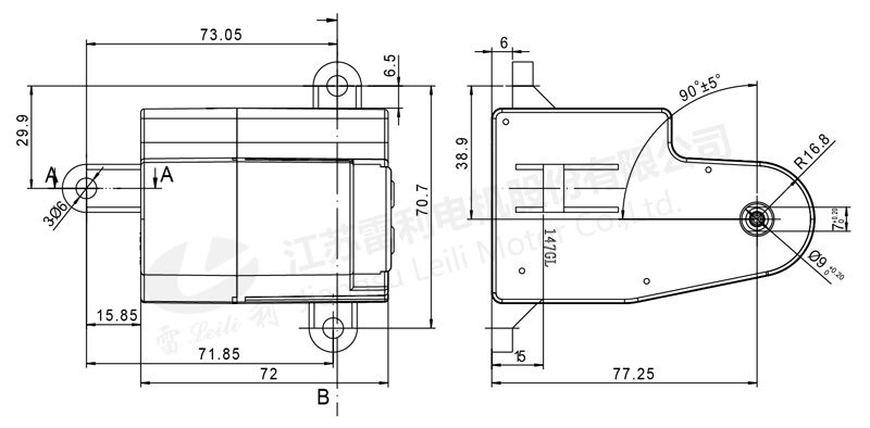
型号:35BY412S-264
主要功能:控制进气格栅自动打开关闭
haha体育PM步进电机的转子使用永磁材料,通过转子和定子之间同性相斥异性相吸原理不断进行运转,一般为内转子型电机,圆柱形转子的外表面均匀分布着N、S极(外表面无齿)。PM步进电机一般为两相,扭矩和体积小。
应用领域
汽车:进气格栅
产品介绍
型号:35BY412S-264
主要功能:控制进气格栅自动打开关闭
haha体育PM步进电机的转子使用永磁材料,通过转子和定子之间同性相斥异性相吸原理不断进行运转,一般为内转子型电机,圆柱形转子的外表面均匀分布着N、S极(外表面无齿)。PM步进电机一般为两相,扭矩和体积小。
应用领域
汽车:进气格栅