产品参数
35BY412M永磁步进电机广泛应用于银行办公设备、电信设备、打印机、复印机、传真机、扫描仪、纺织机械、医疗、自动控制、楼宇自控阀门、按摩椅以及舞台灯光,汽车,监控系统,电动广告,电动窗帘,科教仪器,空调等领域。
| 电机型号 | 步距角 | 驱动方式 | 驱动电路 | 驱动电压 | 电流 | 线圈电阻 | 绝缘电阻 | 绝缘耐压 | 绝缘等级 |
| 35BY412M-23 | 48 (7.5°/Step) | 2-2 PHASE | UNIPOLAR CONST.VOLT | DC24[V] | 200[Ω] | 100M[Ω] MIN | AC 500[V] 1[min] | CLASS E | |
| 35BY412M-143 | 48 (7.5°/Step) | 2-2 PHASE | UNIPOLAR CONST.VOLT | DC12[V] | 40[Ω] | 100M[Ω] MIN | AC 500[V] 1[min] | CLASS E | |
| 35BY412M-222 | 48 (7.5°/Step) | 2-2 PHASE | BIPOLAR CONST.VOLT | DC24[V] | 480[mA] | 13[Ω] | 100M[Ω] MIN | AC 500[V] 1[min] | CLASS E |
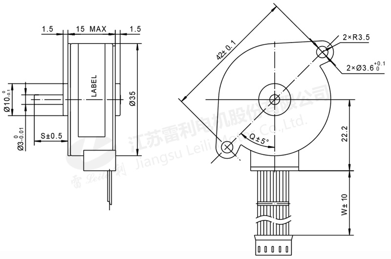
机械尺寸

产品介绍