产品参数
35BYGH12-3W混合步进电机是将电脉冲信号转变为角位移或线位移的开环控制元步进电机件。在非超载的情况下,电机 的转速、停止的位置只取决于脉冲信号的频率和脉冲数,而不受负载变化的影响,当步进驱动器接收到一个脉冲信号,它就驱动步进电机按设定的方向转动一个固定 的角度,称为“步距角”,它的旋转是以固定的角度一步一步运行的。
35BYGH12-3W混合步进电机采用优质冷轧硅钢片和耐高温永磁体制造,采用业界先进的磁路设计方案,具有输出转矩大、温升低、可靠性高的特点。具有良好的内部阻尼特性,运行平稳,无明显振荡区。
| 电机型号 | 额定电压 V |
电流 (A) |
电阻 (Ω) |
电感 (mH) |
保持转矩 (mN.m) |
运行转矩 (mN.m) |
启动频率 (PPS) |
运动频率 (PPS) |
重量 (Kg) |
总高 (mm) |
| 35BYGH12-3W | 6 | 0.8 | 4.3 | 4.8 | 80 | 46 | 2000 | 5000 | 0.14 | 26.5 |
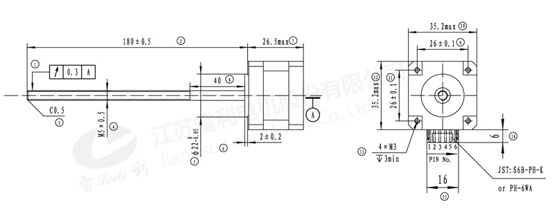
机械尺寸

产品介绍