产品参数
BYJ步进电机一般为两相,转矩和体积较小,步进角一般为7.5度或15度。电机里有转子和定子两部分:可以是定子是线圈,转子是永磁铁;也可以是定子是永磁铁,转子是线圈。
| 电机型号 | 驱动方式 | 驱动电路 | 驱动电压 (V) |
电流 (mA) |
线圈电阻 (Ω) |
绝缘电阻 | 绝缘耐压 | 绝缘等级 |
| 20BY45-95 | 2-2PHASE | BIPOLAR | 12 | 150 | 40 | 100M[Ω]MIN | 500[V]AC1[min] | E |
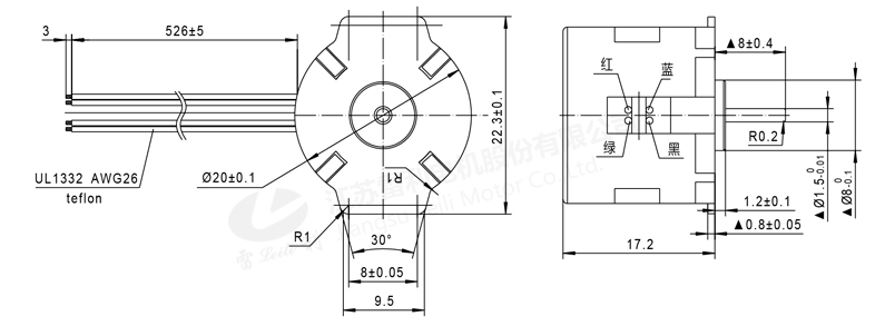
机械尺寸

产品介绍