产品参数
| 电机型号 |
电压
|
空载
|
在最大效率时
|
堵转
|
||||||||
| 工作范围 (V) |
额定 (V) |
速度 (r/min) |
电流 (A) |
速度 (r/min) |
电流 (A) |
扭矩 (mN.m) |
扭矩 (g.cm) |
输出 (W) |
扭矩 (mN.m) |
扭矩 (g.cm) |
电流 (A) |
|
| RS-380SH | 12-35 | 24 | 8600 | 0.1 | 6995 | 0.44 | 7.46 | 76.1358 | 5.47 | 40 | 408 | 1.90 |
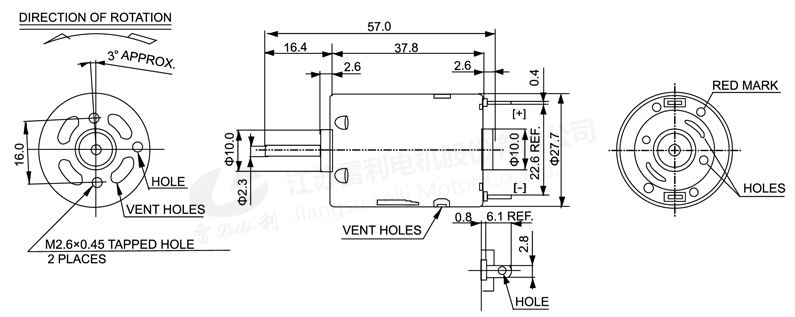
机械尺寸

产品介绍