产品参数
haha体育汽车无刷电机FF-130SH,欢迎来电咨询
| 电机型号 |
电压
|
空载
|
在最大效率时
|
堵转
|
||||||||
| 工作范围 (V) |
额定 (V) |
速度 (r/min) |
电流 (A) |
速度 (r/min) |
电流 (A) |
扭矩 (mN.m) |
扭矩 (g.cm) |
输出 (W) |
扭矩 (mN.m) |
扭矩 (g.cm) |
电流 (A) |
|
| FF-130SH | 3.5-10 | 5 | 5400 | 0.030 | 4220 | 0.11 | 0.56 | 5.7 | 0.25 | 2.55 | 26 | 0.38 |
| 2.5-10 | 6 | 7400 | 0.050 | 6060 | 0.23 | 1.20 | 12.3 | 0.76 | 6.67 | 68 | 1.03 | |
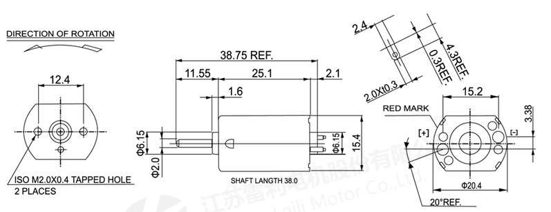
机械尺寸

产品介绍