产品参数
| 电机型号 |
电压
|
空载
|
在最大效率时
|
堵转
|
||||||||
| 工作范围 (V) |
额定 (V) |
速度 (r/min) |
电流 (A) |
速度 (r/min) |
电流 (A) |
扭矩 (mN.m) |
扭矩 (g.cm) |
输出 (W) |
扭矩 (mN.m) |
扭矩 (g.cm) |
电流 (A) |
|
| 32ZYJ300-1 | 6-20 | 12 | 16 | 0.1 | 10-14 | 0.2 | 118 | 1205 | 0.808 | 427 | 4360 | 0.4 |
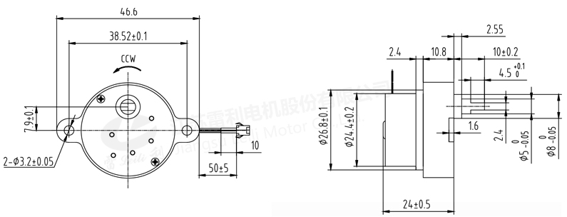
机械尺寸

产品介绍