产品参数
| Φ20mm 电机 | ||||
| 绕组类型 | 双极性 | |||
| 电机方式 | 固定轴式、贯通轴式、外部驱动式 | |||
| 步距角(°) | 7.5 | 15 | ||
| 工作电压(V) | 5 | 12 | 5 | 12 |
| 每相电流(mA) | 370 | 160 | 370 | 160 |
| 每相电阻(Ω) | 13.5 | 74.5 | 13.5 | 76 |
| 每相电感(mH) | 6.5 | 38.5 | 4 | 25 |
| 功率(W) | 3.4 | |||
| 转子惯量(gcm²) | 1.05 | |||
| 绝缘等级 | B | |||
| 绝缘电阻(MΩ) | 100 | |||
| 重量(g) | 35 | |||
步长种类
| 步距角 | 导程 | 步长 | 导程代码 | ||
| mm | inch | mm | inch | ||
| 7.5° | 0.6096 | 0.024 | 0.0127 | 0.0005 | AA |
| 1.2192 | 0.048 | 0.0254 | 0.0010 | B | |
| 2.4384 | 0.096 | 0.0508 | 0.0020 | J | |
| 15° | 0.6096 | 0.024 | 0.0254 | 0.0010 | AA |
| 1.2192 | 0.048 | 0.0508 | 0.0020 | B | |
| 2.4384 | 0.096 | 0.1016 | 0.0040 | J | |
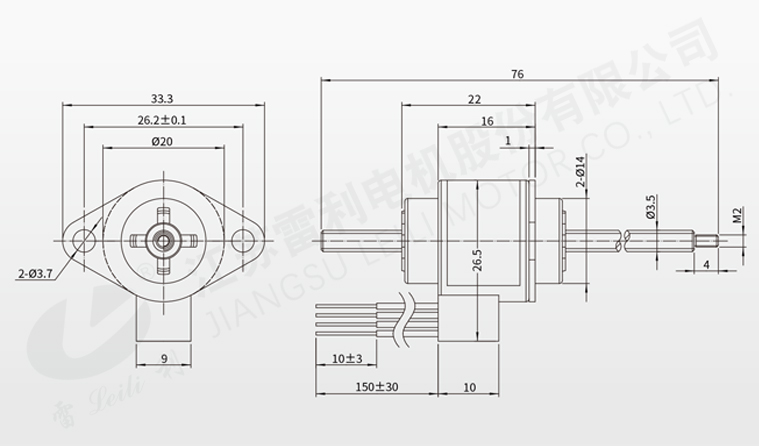
机械尺寸

产品介绍