产品参数
| 电机型号 | 额定电压 (VAC) |
频率 (Hz) |
转速 (RPM) |
空载电流 (mA) |
空载功率 (W) |
输出力矩 (kgf·cm) |
启动电压 (V) |
温升 (K) |
噪音 (A) |
绝缘等级 |
| 50SM16 | 110/120 | 50/60 | 5/6 | ≤40 | ≤3.5 | ≥2.16 | ≤96 | ≤60 | ≤40 | A |
| 110/120 | 50/60 | 4/5 | ≤40 | ≤3.5 | ≥2.5 | ≤96 | ≤60 | ≤40 | E | |
| 110/120 | 50/60 | 2.5/3 | ≤40 | ≤3.5 | ≥4 | ≤96 | ≤60 | ≤40 | ||
| 220/240 | 50/60 | 5/6 | ≤20 | ≤3.5 | ≥2.16 | ≤176 | ≤60 | ≤40 | ||
| 220/240 | 50/60 | 4/5 | ≤20 | ≤3.5 | ≥2.5 | ≤176 | ≤60 | ≤40 | ||
| 220/240 | 50/60 | 2.5/3 | ≤20 | ≤3.5 | ≥4 | ≤176 | ≤60 | ≤40 | ||
| 220/240 | 50/60 | 20/24 | ≤20 | ≤3.5 | ≥0.8 | ≤176 | ≤60 | ≤40 |
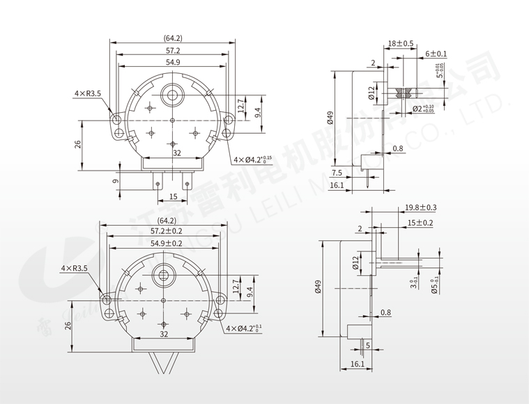
机械尺寸

产品介绍