haha体育

直流有刷电机 RS-360(365)SA

产品介绍

型号:RS-360(365)SA
直流有刷电机是一种直流电机,有刷电机的定子上安装有固定的主磁极和电刷,转子上安装有电枢绕组和换向器。直流电源的电能通过电刷和换向器进入电枢绕组,产生电枢电流,电枢电流产生的磁场与主磁场相互作用产生电磁转矩,使电机旋转带动负载。

应用领域

工业:精密仪器

可选配零件

温馨提示:
以下产品参数为标准产品,我司可以根据客户的特殊需求做产品的设计、开发及生产。详情请邮件联系marketing@leiligroup.com

产品参数

电机型号
电压
空载
在最大效率时
堵转
工作范围
(V)
额定
(V)
速度
(r/min)
电流
(A)
速度
(r/min)
电流
(A)
扭矩
(mN.m)
扭矩
(g.cm)
输出
(W)
扭矩
(mN.m)
扭矩
(g.cm)
电流
(A)
RS-365SA 24-40 36 25000 0.1 20960 0.52 6.8 69.36 14.98 42.3 431.46 2.7

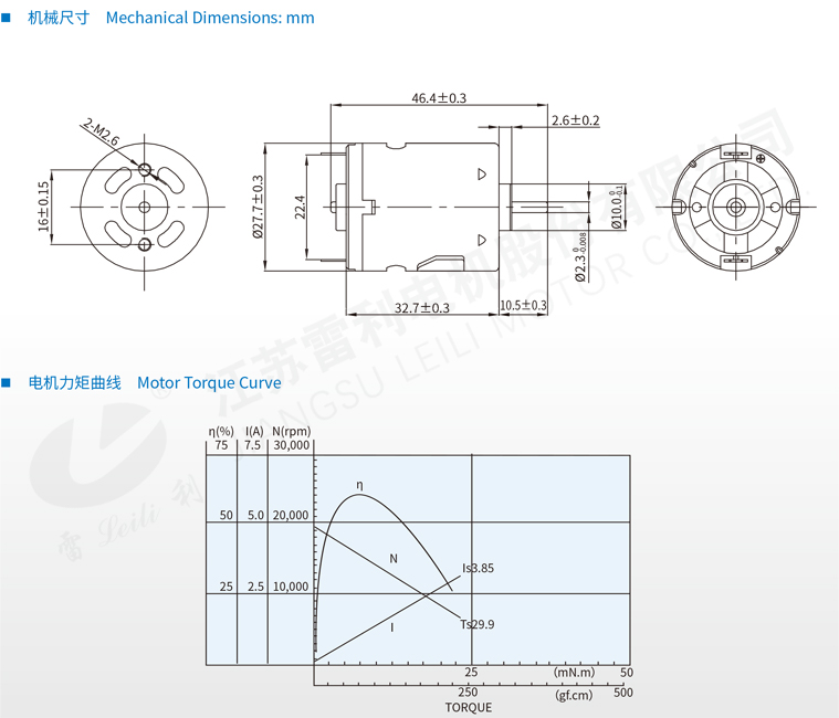
机械尺寸