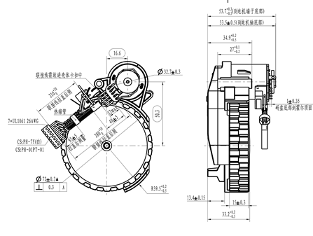
扫地机动轮电机28ZYJ1-1/28ZYJ1-2
扫地机器人
请填写下面的表单,haha体育 收到反馈后会尽快与您联系的,表单中带"*"的是必填项
(点击图片更换验证码)
温馨提示:haha体育 是工厂,仅接受批量订单。