haha体育
haha体育
技术创新
产品中心
步进电机
永磁步进减速电机
混合式步进电机
PM步进电机
同步电机
磁滞同步电机
排水电机
排水电机
直流无刷电机
塑封无刷电机
开关磁阻电机
内转子无刷电机
外转子无刷电机
空心杯无刷电机
音圈电机
直流有刷电机
永磁直流电机
微型永磁直流电机
直流减速电机
串激电机
高效电机
永磁同步电机
轴向磁通电机
EC离心风机
阀泵
排水阀
排水泵
循环泵
电磁泵
隔膜泵
电子油泵
电子水泵
组件
家用电器
汽车零部件
工业控制
运动健康
零部件
冲压件
压铸件
电控
丝杆
应用中心
家电领域
空调
冰箱
洗衣机
洗碗机
智能洁具
扫地机器人
家电其它
汽车零部件
空调系统
动力总成热管理
智能驾驶
车身控制
安全系统
进排气系统
储能系统
工业领域
阀门控制
工业设备
园林工具
OA金融
安防监控
机器人
运动健康
运动器材
医疗器械
智能家居
游戏娱乐
新品发布
洗碗机智能分配器
汽车空调执行器
French
German
Portuguese
Spanish
Russian
Japanese
Korean
Arabic
Greek
Turkish
Italian
Danish
Romanian
Indonesian
Czech
haha体育
>
产品中心
>
组件
>
家用电器
>
风扇机构 FSJL1-1
风扇机构 FSJL1-1
产品介绍
风扇机构 FSJL1-1
应用领域
家电:
冰箱
可选配零件
温馨提示:
以下产品参数为标准产品,我司可以根据客户的特殊需求做产品的设计、开发及生产。详情请邮件联系
marketing@leiligroup.com
。
立即咨询
PDF下载
产品参数
电机型号
额定电压
(VDC)
0Pa 时输入功率 W
额定转速
(RPM)
0Pa 时风机风量
(RPM)
FSJL1-1
12
3.2max
1650±150 RPM
90m³/h
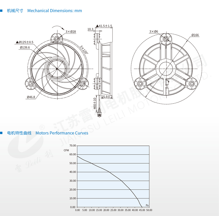
机械尺寸
产品推荐
同类推荐
PM步进电机
同步电机
直流无刷电机
直流有刷电机
排水电机
温控阀组件
洗碗机智能分配器-单液体分配
洗碗机智能分配器-双液体方案
洗碗机智能分配器-洗碗块方案
洗碗机智能分配器-洗碗块+漂洗剂方案
碎冰机 CLX3/CLX6
汽车抬头显示 HUD 15BY45-311G
汽车空调风门 / 电动出风口 22BY45
汽车抬头显示HUD 25BY412
步进电机 10BY25T
步进电机 08BY25T
步进电机 065BY25T
400KW 同步磁阻电机
355KW 同步磁阻电机
315KW 同步磁阻电机
280KW 同步磁阻电机
250KW 同步磁阻电机
200KW 同步磁阻电机
直流无刷电机 PSBA12-1
开关磁阻电机
直流无刷电机 58WS
80ECX-X 风机
16系列 空心杯电机
音圈电机机座尺寸38mm
直流有刷电机 80ZY
直流有刷电机 82ZY
直流有刷电机 RS-5412SA
直流有刷电机 RS-557PH
直流减速电机 62ZYJ5412
直流减速电机 53ZYJ50
直流排水电机
排水电机 QA1
排水电机 QA2
排水电机 QC2
排水电机 QE
排水电机 QE2
关闭
请填写下面的表单,haha体育 收到反馈后会尽快与您联系的,表单中带"*"的是必填项
姓名 *
邮箱 *
电话 *
内容 *
公司名称 *
订购数量 *
验证码 *
(点击图片更换验证码)
温馨提示:haha体育 是工厂,仅接受批量订单。