产品参数
25BY412L混合式永磁步进电机是将电脉冲信号转变为角位移或线位移的开环控制元步进电机件。在非超载的情况下,电机的转速、停止的位置只取决于脉冲信号的频率和脉冲数, 而不受负载变化的影响,当步进驱动器接收到一个脉冲信号,它就驱动步进电机按设定的方向转动一个固定的角度,称为“步距角”,它的旋转是以固定的角度一步 一步运行的。
| 电机型号 | 步距角 | 驱动方式 | 驱动电路 | 驱动电压 | 电流 | 线圈电阻 | 绝缘电阻 | 绝缘耐压 | 绝缘等级 |
| 25BY412L-145 | 48(7.5°/Step) | 2-2 PHASE | UNIPOLAR CONST.VOLT | 12[V] | 30[Ω] | 100M[Ω]MIN | AC 500[V]1[min] | CLASS E | |
| 25BY412L-102 | 48(7.5°/Step) | 2-2 PHASE | BIPOLAR CONST.VOLT | 5[V] | 500mA | 5[Ω] | 100M[Ω]MIN | AC 500[V]1[min] | CLASS E |
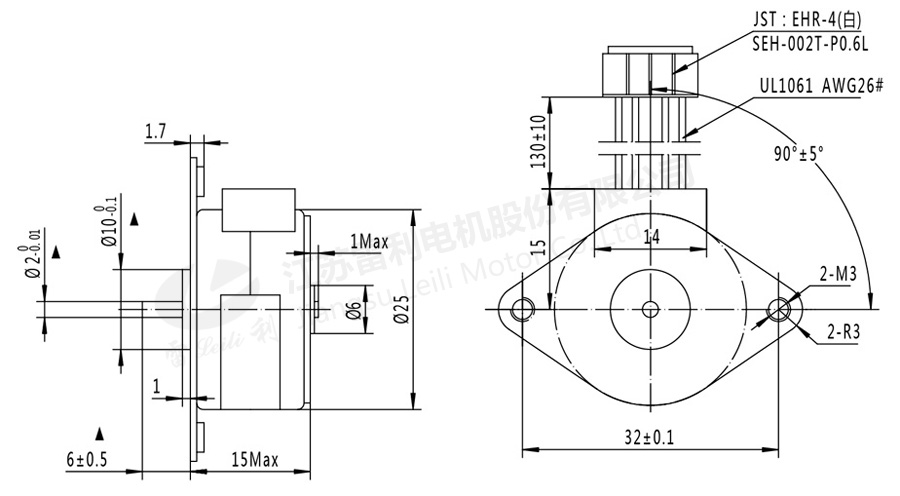
机械尺寸

产品介绍