产品参数
永磁BYJ步进电机25BY412L广泛应用于银行办公设备、电信设备、打印机、复印机、传真机、扫描仪、纺织机械、医疗、自动控制、楼宇自控阀门、按摩椅以及舞台灯光,汽车,监控系统,电动广告,电动窗帘,科教仪器,空调等领域。
| 电机型号 | 步距角 | 减速比 | 最大直线行程 | Velocity of axle | 驱动方式 | 驱动电路 | 驱动电压 | 电流 | 线圈电阻 | 绝缘电阻 | 绝缘耐压 | 绝缘等级 |
| 25BY412L-213 | 0.75°/Step | 1/10 | 5[mm] | 0.00208[mm/Step] | 2-2PHASE | BIPOLAR | 3.2[V] | 5[Ω] | 100M[Ω]MIN | AC 500[V]1[min] | CLASS E |
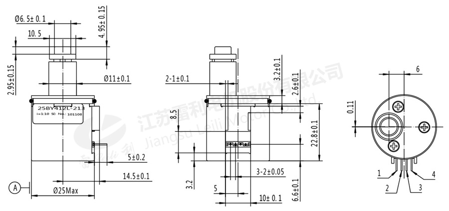
机械尺寸

产品介绍