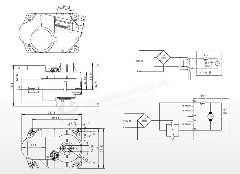
产品参数
| 电机型号 | 工作电压 |
频率 (Hz) |
额定转速 (RPM) |
额定电流 (A) |
空载转速 (RPM) |
空载功率 (W) |
堵转力矩 (N·m) |
堵转电流 |
线圈绝缘等级 |
认证 |
| CLX-1A | 120VAC(DC)±0.5V | 60±2 | 15±15% | ≤0.7 | 30±10%CW 31±10%CCW |
≤25 | 22.6+15% 22.6-10% |
≤1.2A | H | UL, CSA |
| CLX2-1A | 220VAC(DC)±0.5V | 50±2 | 15±15% | ≤0.4 | 30±10%CW 31±10%CCW |
≤20 | 29.3+10% 29.3-15% |
≤0.7A | H | CE |
机械尺寸

产品介绍