haha体育

永磁步进减速电机 35BYJ412B

永磁步进减速电机 35BYJ412B

产品介绍

型号:35BYJ412B
haha体育永磁式步进电机(BYJ系列步进电机)
的转子用永磁材料制成,转子的极数与定子的极数相同。其特点是动态性能好、输出力矩大。

应用领域

家电:空调、冰箱、自动门锁
工业:监控器、电子仪表

可选配零件

温馨提示:
以下产品参数为标准产品,我司可以根据客户的特殊需求做产品的设计、开发及生产。详情请邮件联系marketing@leiligroup.com

产品参数

Array

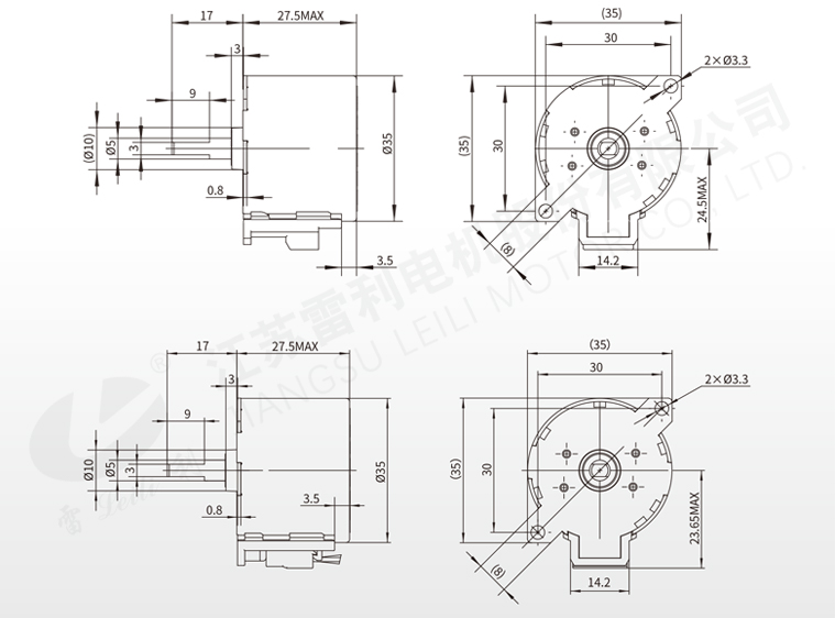
机械尺寸