产品参数
| 电机型号 | 电压 V |
频率 (Hz) |
电流 (mA) |
功率 (W) |
行程 (mm) |
启动电压 (VAC) |
噪音 (A) |
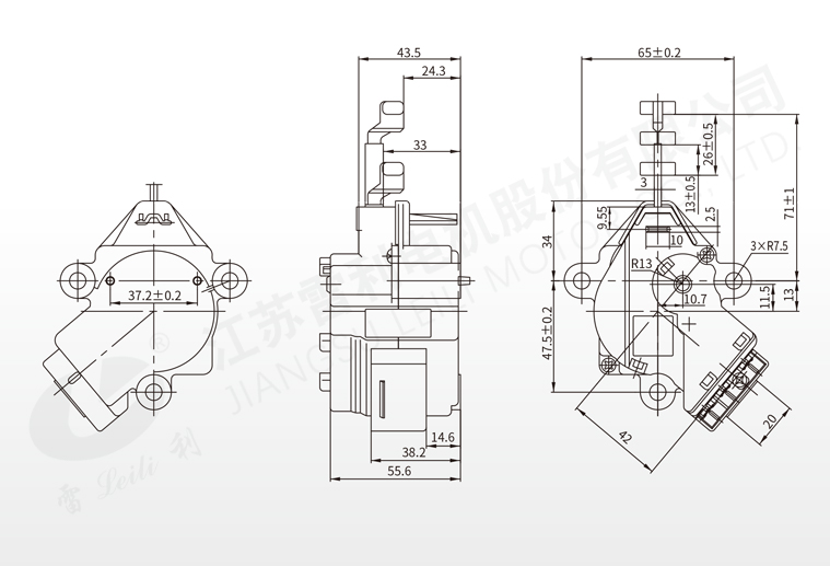
安装尺寸 (mm) |
牵引力 (N) |
绝缘等级 |
| QC21 | 100/120 | 60 | ≤50 | ≤6 | 13±0.5 26±0.5 |
≤85 | ≤55 | 65±0.2 | 107.8 | E |
| QC22 | 220/240 | 50/60 | 20±3.6 | ≤6 | 13±0.5 26±0.5 |
≤175 | ≤55 | 65±0.2 | 107.8 | E |
机械尺寸

产品介绍