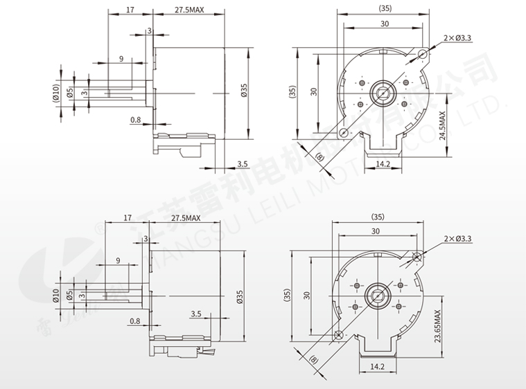
永磁步进减速电机 35BYJ412B
产品介绍
型号:35BYJ412B
haha体育永磁式步进电机(BYJ系列步进电机)的转子用永磁材料制成,转子的极数与定子的极数相同。其特点是动态性能好、输出力矩大。
应用领域
家电:空调、电风扇、智能洁具
工业控制:安防监控、电子仪表
可选配零件
轴长,机座
温馨提示:
以下产品参数为标准产品,我司可以根据客户的特殊需求做产品的设计、开发及生产。详情请邮件联系marketing@leiligroup.com。
以下产品参数为标准产品,我司可以根据客户的特殊需求做产品的设计、开发及生产。详情请邮件联系marketing@leiligroup.com。
产品参数
| 电机型号 | 电压 V |
电阻 (Ω) |
频率 (PPS) |
牵入转矩 (mN.m) |
自定位转矩 (mN.m) |
空载牵入频率 (PPS) |
空载牵出频率 (PPS) |
温升 K |
噪音 (A) |
步距角 (1-2相) |
绝缘等级 |
| 35BYJ412B | 12 | 120 | 100 | ≥147 | ≥78.4 | ≥250 | ≥250 | ≤65 | ≤40 | 3.75°/42.5 | E |
机械尺寸































