汽车抬头显示 HUD 24BYJ48
产品介绍
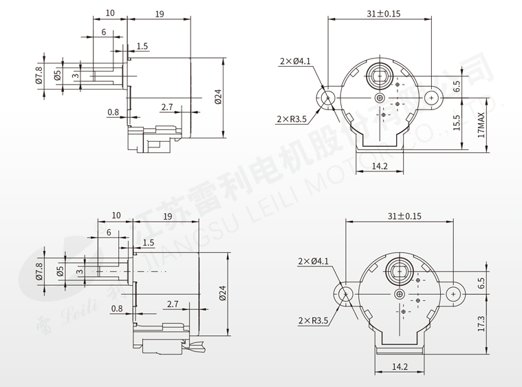
型号:24BYJ48
haha体育永磁式步进电机(BYJ系列步进电机)的转子用永磁材料制成,转子的极数与定子的极数相同。其特点是动态性能好、输出力矩大。
应用领域
汽车抬头显示HUD
可选配零件
轴长,机座
温馨提示:
以下产品参数为标准产品,我司可以根据客户的特殊需求做产品的设计、开发及生产。详情请邮件联系marketing@leiligroup.com。
以下产品参数为标准产品,我司可以根据客户的特殊需求做产品的设计、开发及生产。详情请邮件联系marketing@leiligroup.com。
产品参数
| 电压 DC.V |
电阻 (25℃) Q/ 相 ±10% |
输出轴 步距角 |
减速比 | 牵入转矩 9VDC (mN•m) |
自定位转矩 mN•m |
空载牵入 频率 pps |
空载牵出 频率 pps |
★ 绝缘电阻 DC500V (MQ) |
★ 绝缘介电强度 AC 500V, 1mA, 1min |
温升 K(7 秒 ) 12VDC 350pps |
噪声 dB(A) 12VDC 350pps |
|
| 12 | 215 | 11.25° /64 |
1/64 | 350pps | ≥ 29.4 | ≥ 44.1 | ≥ 400 | ≥ 500 | ≥ 100 | 无击穿或飞弧 | ≤ 45 | ≤ 35 |
| 12 | 90 | 11.25° /64 |
1/64 | 500pps | ≥ 45 | ≥ 60 | ≥ 500 | ≥ 600 | ≥ 100 | 无击穿或飞弧 | ≤ 45 | ≤ 35 |
| 12 | 120 | 11.25° /64 |
1/64 | 400pps | ≥ 50 | ≥ 60 | ≥ 500 | ≥ 600 | ≥ 100 | 无击穿或飞弧 | ≤ 45 | ≤ 35 |
机械尺寸































