产品参数
| 电机型号 | 30ZWWC65 | |
| 极对数 | - | 2 |
| 相电阻 | Ω | 0.5 |
| 相电感 | mH | 0.05 |
| 绕组联接方式 | - | 星型 |
| 绝缘等级 | - | B |
| 工作制 | - | S1 |
| 反馈方式 | - | 霍尔元件 |
| 换相角度 | - | 120° |
| 绝缘强度(耐压) | - | 500VAC/1KHz/1mA/1s |
| 绝缘电阻 | - | 100 MΩ/500VDC |
| 重量 | g | 230 |
| 额定电压 | V | 24 |
| 额定功率 | W | 65 |
| 额定转矩 | mN·m | 90 |
| 额定速度 | RPM | 6900 |
| 额定电流 | A | 3.85 |
| 空载转速 | RPM | 9200 |
| 空载电流 | A | 0.3 |
| 电机效率 | % | 86 |
| 噪声 (环境噪声20dB,测试距离1m) |
dB | <50 |
| 机壳-环境热阻(空载) | K/W | 0.31 |
| 电机热时间常数(空载) | S | 1200 |
| 环境温度 | ℃ | 23 |
| 最大绕组温度(空载) | ℃ | 43.2 |
| 转矩常数 | mNm/A | 23.38 |
| 反电动势常数-峰值 | V/Krpm | 3.46 |
| 反电动势常数-有效值 | V/Krpm | 2.45 |
| 峰值转矩 | mN·m | 1122.08 |
| 峰值电流 | A | 48 |
| 转动惯量 | g·cm² | 28 |
| 机械时间常数 | ms | 2.56 |
| 端盖 | - | 不锈钢 |
| 轴承 | - | 深沟球 |
| 磁体 | - | 烧结NdFeB |
| 转轴 | - | 碳钢 |
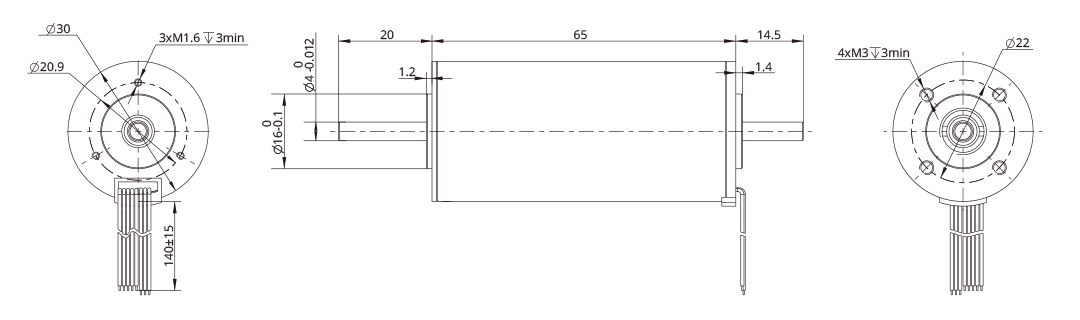
机械尺寸


产品介绍



























