产品参数
| 电机型号 |
电压 (V) |
kv值 (V) |
空载电流 (A) |
额定输出功率 (W) |
电流 (A) |
额定转矩 (N.m) |
效率 |
绝缘等级 |
重量 (kg) |
| 90ZY | 24 | 3600 | 1.0 | 250 | 15 | 0.75 | 76% | B | 3.5 |
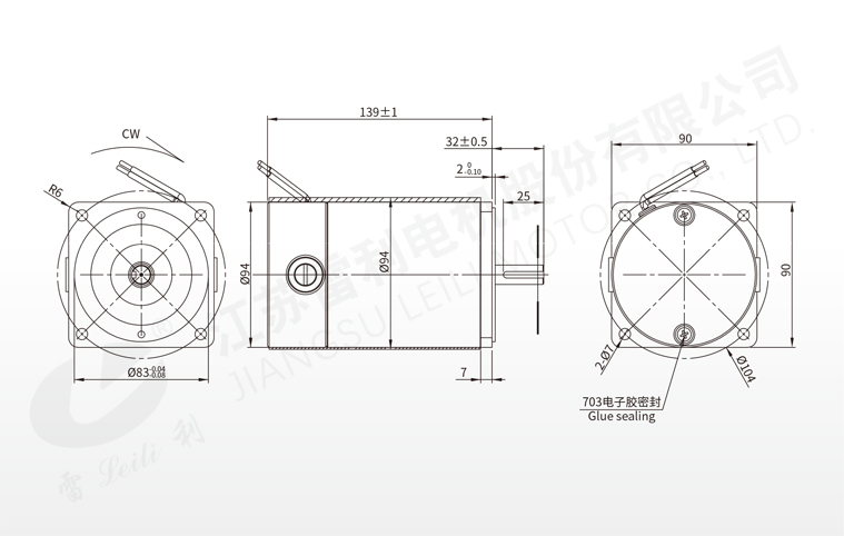
机械尺寸
| 电机型号 |
电压 (V) |
kv值 (V) |
空载电流 (A) |
额定输出功率 (W) |
电流 (A) |
额定转矩 (N.m) |
效率 |
绝缘等级 |
重量 (kg) |
| 90ZY | 24 | 3600 | 1.0 | 250 | 15 | 0.75 | 76% | B | 3.5 |